Valve de décharge inférieure
Vannes de fond pour conteneurs-citernes et camions-citernes – Sécurité et contrôle lors du déchargement et du chargement
Une vanne de fond, également appelée clapet de fond, est un élément essentiel de toute installation de conteneur-citerne. Cette vanne d'arrêt primaire est montée directement sur le point de vidange du réservoir, où elle constitue la première barrière lors du chargement et du déchargement de liquides ou de produits chimiques.

Chez Guard Europe BV, nous fournissons des fermetures de fond de haute qualité, conçues pour offrir une sécurité, un contrôle et une résistance chimique maximaux, adaptées aux exigences du transport international, des environnements ADR et des applications industrielles.
Fermeture fiable dans toutes les situations
La vanne à pied fonctionne en combinaison avec une vanne secondaire, telle qu'une vanne papillon ou un robinet à boisseau sphérique, offrant ainsi un double système de fermeture. Cela augmente la sécurité lors de la manipulation de charges dangereuses ou de valeur.
Nos vannes sont disponibles dans les tailles les plus courantes
-
DN80 (3 pouces) – Taille standard pour les conteneurs-citernes
-
DN100 (4 pouces) – Pour les applications à débit plus élevé
Disponibles en plusieurs versions en termes de position de sortie :
- Variantes à 30°, 45°, 90° et 180° pour différentes configurations d'installation
Manuel ou pneumatique – Standard ou résistant aux produits chimiques
Chez Guard Europe, nous proposons différentes options de commande
-
Commande manuelle – simple, fiable et facile d'entretien
-
Commande pneumatique – pour un contrôle automatique et une commande à distance
Pour les charges agressives ou corrosives, nous proposons également :
-
Clapets à pied doublés
-
Clapets à pied revêtus
Ceux-ci sont spécialement conçus pour résister à l'agression chimique et prolongent considérablement la durée de vie de votre installation.
Pourquoi choisir Guard Europe BV ?
✔ Large gamme disponible immédiatement
✔ Options conformes à l'ADR et de qualité alimentaire disponibles
✔ Personnalisation possible sur demande
✔ Conseils techniques par des spécialistes expérimentés
✔ Vannes papillon, robinets à boisseau sphérique et joints d'étanchéité assortis disponibles
Vous recherchez une vanne de fond fiable pour votre conteneur-citerne ?
Demandez dès aujourd'hui un devis ou contactez-nous pour obtenir une assistance technique. Guard Europe BV se fera un plaisir de vous aider.
EN14432
Filtres
Quick Flow Foot 3" 45 degrés Soupape de fond tankcontainer
GUARD™3" 45 degrés Swingfoot fond à clapet Entrée Bride percée de 8trous de 14 mm équidistants sur un PCD de 178 mm, bride de sortiepercée de 4 trous de...
Afficher tous les détails3" 45 ° clapet de fond + 3" clapet papillon serti + 3" sortie BSP
GUARD™Bride sur sortie 3" BSP + capuchon anti-poussière 3" BSP, acier inoxydable 316
3" 45 graden Complete Bodemafsluiter met stoom aansluiting
GUARD™316SS complete assemblyComplete Assembly, 3" Butterfly Valve + 3' BSP Outlet + 3" Dust-cap 316 Stainless Steel
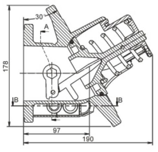
Décharge par le bas à débit intégré de 3'' à 45º
GUARD™Décharge intégrée à débit rapide par le fondpour vanne papillon et vanne à débit rapide intégrée. Bride d'entrée percée de 8 trous de 14 mm équidis...
Afficher tous les détails3" 30 ° Soupape de pied + 3" Clapet Papillon Serré + 3" BSP sortie
GUARD™L'ensemble de vanne de fond 3" 30° (HDJ38001-00) est un kit de déchargement par le bas complet spécialement conçu pour les conteneurs-citernes ISO...
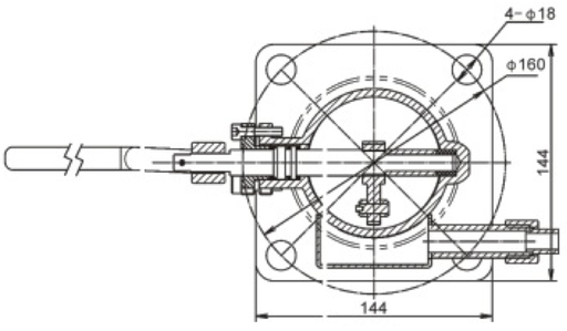
Afficher tous les détails3" 45 ° clapet de fond, entrée 8 × 14 × PCD178, sortie 4 × 18 × PCD160,
GUARD™3" 45 degrés clapet de fond - Bride percée 8x14 PCD 178. Prise 4x18 PCD160 Option - Dispositif d’arrêt pour urgence et lien fusible.
3" Soupape de fond 30 °, entrée 8 × 14 × PCD178, 4 × 18 × PCD178
GUARD™3 Bride d’admission 30 PiedValve 4x 18mm et 8x 14mm trous équidistants sur un PCD 178mm, Bride de sortie percée 4x 18mm trous équidistants sur un P...
Afficher tous les détails3" 30° Soupape de fond avec chauffage, entrée 8 × 14 × PCD178
GUARD™3" 30º Fond chauffant - Chauffage pour le transport de liquides qui le nécessitent. Option : dispositif de fermeture d'urgence et fusible.
3" Soupape de fond 45 degrés avec chauffage
GUARD™3" 45 degrés soupape de fond avec chauffage
3" 180 degrees vidange par le fond
GUARD™Numéro de l'article HDB18002-00 Bride percée 8x14xPCD178 Prise 3" BSP Pression nominale 6 bar Pièces de contact en acier inoxydable 316 Equipé d'un...
Afficher tous les détailsVanne de fond 3" 45° avec vanne d'échantillonnage, vanne de fond 3" 45°
GUARD™Vanne de fond à 45 degrés de 3 pouces avec vanne d'échantillonnage - Vanne de fond à 45 degrés de 3 pouces + vanne papillon à pince de 3 pouces + ...
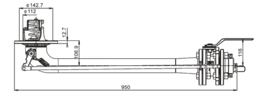
Afficher tous les détailsVanne de fond offshore 3" -2"
GUARD™Vanne de fond offshore 3" -2", 3" 90º Extended Foot Valve + 2" Full-Bore Ball Valve + 2" BSP Outlet, applicable pour les réservoirs offshore, insta...
Afficher tous les détails3" 180 degrés soupape de fond
GUARD™Vanne de fond 3" à 180 degrés - Bride d'entrée percée de 8 trous de 14 mm à égale distance d'un PCD de 178 mm, bride de sortie percée de 4 trous de...
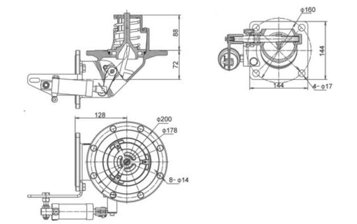
Afficher tous les détailsValve de pied de 3" à commande pneumatique à 90 degrés
GUARD™Vanne de fond à commande pneumatique 3" 90 degrés pour camion-citerne.Vanne de fond 3" 90 - La bride d'entrée est de 8x14 sur la surface de bride ...
Afficher tous les détailsDécharge inférieure unifiée 3" DC Camlock
GUARD™Raccord Camlock 3" DC Unify à décharge par le bas - Bride percée 8x14xPCD178.Option - Dispositif d'arrêt d'urgence et fusible.
Vanne pneumatique à pied rapide 4" 90°
Guard Europe BVAcier inoxydable 316 Bride percée 8× Φ 18× PCD 210. Sortie 8x φ18x PCD180
Vanne pneumatique à pied à 90 degrés de 4 pouces
Guard Europe BVAcier inoxydable 304, 316, 6 bars, joint : PTFE, FEP/SILICONE
4" 45 ° Clapet de fond en acier inoxydable 316 FEP / joint en silicone
GUARD™4" 45º Clapet de fond - Bride d'entrée percée de 8x18 trous équidistants sur un PCD de 210 mm ; bride de sortie percée de 8x18 trous équidistants s...
Afficher tous les détails5" Clapet de fond à 180 degrés en acier inoxydable 316
GUARD™5" 180º pied Clapet - bride d'entrée percée de 8x18 trous équidistants sur un PCD de 210 mm ; bride de sortie percée de 8x18 trous équidistants sur...
Afficher tous les détails5" 30 degrés soupape de fond en acier inoxydable 316
GUARD™Vanne de fond 5" 30º - Bride d'entrée percée de 8 trous 18 espacés à intervalles réguliers sur un PCD de 210 mm ; bride de sortie percée de 8 trous...
Afficher tous les détailsActualités & Blog | Guard Europe B.V.
-
Le clapet de réservoir Guard résiste au test à basse température : -65 °C, 6 heures. Certifié indépendamment comme fiable pour le GNL et les conditions arctiques.Lire maintenant