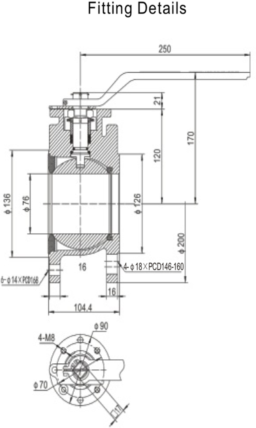
Robinet à boisseau sphérique 3" à passage complet
Robinet à boisseau sphérique 3" DN80 à passage intégral pour conteneur-citerne, camion-citerne et déchargeur par le haut
Ce robinet à boisseau sphérique 3" DN80 à passage intégral (full bore) convient pour une utilisation sur un conteneur-citerne, un camion-citerne ou dans un déchargeur par le haut. Le robinet à boisseau sphérique peut être utilisé comme vanne supérieure et assure un passage intégral du produit.
Le modèle est disponible en version ouverture à gauche ou à droite et est équipé d'un trou d'étanchéité en plomb. La vanne peut être actionnée manuellement ou à l'aide d'un actionneur. Le modèle avec joint à bille à fond flottant et double étanchéité assure une fermeture fiable.
Nos vannes à bille conviennent à différentes applications. Nous proposons également des versions telles qu'une vanne à bille revêtue de PFA ou une version avec raccordement à la vapeur.
Pièces de rechange
Sur cette page, vous trouverez non seulement la vanne à bille DN80 complète pour conteneur-citerne, camion-citerne ou camion-citerne à chargement par le haut, mais aussi les pièces de rechange correspondantes. Vous pouvez ainsi sélectionner facilement la pièce appropriée pour l'entretien ou le remplacement.
Vous recherchez une vanne à bille ou des pièces pour votre conteneur-citerne, camion-citerne ou déchargeur par le haut ? N'hésitez pas à nous contacter.

Filtres
Robinet à boisseau sphérique 3" à passage intégral
GUARD™Vanne à bille à passage intégral ouverte à gauche ou à droite, avec Vanne à bille à passage intégral ouverte à gauche ou à droite, avecorifice pou...
Afficher tous les détailsRobinet à boisseau sphérique 3" à passage intégral chauffé à la vapeur
GUARD™Robinet à boisseau sphérique 3" à passage intégral chauffé à la vapeur
3'' Robinet à boisseau sphérique revêtu de PFA
GUARD™Robinet à boisseau sphérique 3" revêtu de PFA - ouverture gauche ou droite avec trou d'étanchéité en plomb. Le siège d'étanchéité est de type flott...
Afficher tous les détailsJoint PTFE / CNAF pour DN80 Top Discharge
GUARD™Joint PTFE / CNAF pour DN80 Top Discharge
Kit d'étanchéité pour vanne à boisseau sphérique à alésage complet de 3"
GUARD™3" robinets à tournant sphérique à passage intégral (y compris le joint principal et le joint d'étanchéité)
Sealkit pour robinet à boisseau sphérique 3" revêtu de PFA
GUARD™Robinet à boisseau sphérique 3" revêtu de PFA (QAF78001-00)
Kit de maintenance pour robinet à boisseau sphérique 3" revêtu de PFA
GUARD™La référence du robinet à boisseau sphérique 3" revêtu de PFA est QAF78001-00.
Siphon Tube bride pour Topdischarge DN80
GUARD™Bride de tube de siphon * Numéro de l'article ZTD68001-05 * Diamètre extérieur 200 mm * Diamètre intérieur 80 mm * Épaisseur 10mm * Forage 4x 18 x ...
Afficher tous les détailsJoint PTFE pour DN80 Top Discharge
GUARD™Joint PTFE pour DN80 Top Discharge
Boule pour robinet à tournant sphérique à passage intégral de 3"
GUARD™Boule pour robinet à tournant sphérique à passage intégral de 3"
Joint à bille arrière pour robinet à tournant sphérique à alésage complet de 3"
GUARD™Joint à bille arrière pour robinet à tournant sphérique à alésage complet de 3"
Joint de bille avant pour robinet à tournant sphérique à alésage complet de 3"
GUARD™Joint de bille avant pour robinet à tournant sphérique à alésage complet de 3"
Kit de maintenance 3" robinet à tournant sphérique à alésage complet
GUARD™Kit de maintenance 3" robinet à tournant sphérique à alésage complet
Rondelle Belleville pour robinet à tournant sphérique à alésage complet de 3"
GUARD™Rondelle Belleville pour robinet à tournant sphérique à alésage complet de 3"
Roulement inférieur pour robinet à tournant sphérique à alésage complet de 3"
GUARD™Roulement inférieur pour robinet à tournant sphérique à alésage complet de 3"
Écrou de blocage pour robinet à tournant sphérique à alésage complet de 3"
GUARD™Écrou de blocage pour robinet à tournant sphérique à alésage complet de 3"
Poignée pour robinet à tournant sphérique à alésage complet de 3"
GUARD™Poignée pour robinet à tournant sphérique à alésage complet de 3"
Anneau indésirable pour vanne à boisseau sphérique à alésage complet de 3"
GUARD™Anneau indésirable pour vanne à boisseau sphérique à alésage complet de 3"
Joint torique pour robinet à tournant sphérique à alésage complet de 3"
GUARD™Joint torique pour robinet à tournant sphérique à alésage complet de 3"
Rondelle plate pour robinet à tournant sphérique à alésage complet de 3"
GUARD™Rondelle plate pour robinet à tournant sphérique à alésage complet de 3"
Broche pour robinet à boisseau sphérique à passage intégral de 3"
GUARD™Broche pour robinet à boisseau sphérique à passage intégral de 3"
Rembourrage pour robinet à boisseau sphérique à passage intégral de 3"
GUARD™Rembourrage pour robinet à boisseau sphérique à passage intégral de 3"
Actualités & Blog | Guard Europe B.V.
-
Le clapet de réservoir Guard résiste au test à basse température : -65 °C, 6 heures. Certifié indépendamment comme fiable pour le GNL et les conditions arctiques.Lire maintenant