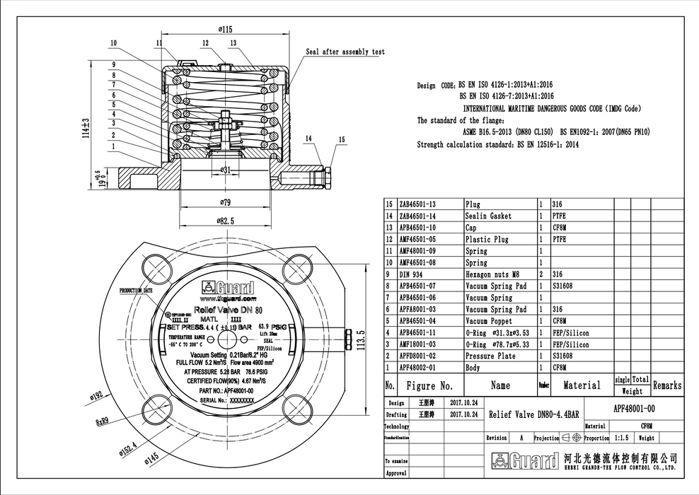
Soupape de sécurité 3" à bride 4.4 Bar + Vac 0,21
Artikelcode: APF48001-00
Description du produit
Caractéristiques techniques
Avantages et inconvénients
Commande et livraison
Tous nos prix s’entendent départ usine ou départ entrepôt. Des exceptions peuvent résulter d’accords particuliers conclus pour chaque commande. Nous expédions nos produits via PostNL ou FedEx.
Les coûts et la disponibilité de nos prestations dépendent du poids et de l’adresse de livraison de votre commande. Les retours ne sont acceptés qu’après concertation et autorisation préalables.
En cas de retour accepté, les frais de retour sont toujours à la charge de l’acheteur, à condition que la livraison erronée résulte d’un acte de Guard Europe B.V.