Plaque d'égout
Guard fournit différents types de regards et de composants en acier inoxydable, en acier au carbone ou en aluminium. Les couvercles standard de 500 mm mais aussi les trappes d'inspection de 170 mm par exemple. Nos couvercles de trou d'homme conviennent à diverses applications telles que les silos-citernes, les conteneurs-citernes, les citernes standard ou les remorques-citernes. Bien entendu, les trous d'homme sont livrés avec les certificats d'essai et de matériaux correspondants, en fonction de votre application.
Guard dispose de l'ensemble du processus de production en interne, du moulage au soudage et à l'ingénierie. Cela nous permet de développer des couvercles de trou d'homme sur mesure qui s'adaptent parfaitement à votre application. Pensez à personnaliser l'anneau du col en fonction du rayon de votre réservoir, ou le joint approprié pour la cargaison en question.
Les prix indiqués sur le site web sont basés sur de petites quantités. Pour des quantités plus importantes, veuillez nous contacter pour obtenir un devis. Pour les questions techniques, vous pouvez bien entendu nous contacter.
|
|
|
Filtres
(DN500mm) Ensemble de couvercle d'homme à bride de rotomoulage
GUARD™Convient aux réservoirs doublés.Option - Peut être personnalisé selon différents radians, la hauteur du collier en fonction de la taille du réservo...
Afficher tous les détails(DN500mm) Ensemble de couvercle à bride à revêtement plastique
GUARD™Ensemble couvercle à bride à revêtement plastique -20 points. Le couvercle d'homme convient aux réservoirs revêtus d'un revêtement PFA (épaisseur d...
Afficher tous les détails(DN500mm) Ensemble de couvercle d'homme avec caoutchouc
GUARD™Montage du manchon avec caoutchouc - 8 points. Les manchons conviennent aux réservoirs recouverts d'un revêtement en caoutchouc (épaisseur du revêt...
Afficher tous les détails(DN500mm) Ensemble de couvercle d'homme avec Halar
GUARD™Manlid DN500 avec points Halar-8. Le manlid est adapté aux réservoirs à revêtement HALAR (épaisseur du revêtement Halar 0,5 mm~1 mm).Tous les compo...
Afficher tous les détails(DN400mm) Couvercle de couvercle de visite à pince à ouverture rapide IBC
GUARD™Couvercle de couvercle à pince à ouverture rapide DN400 IBC. Étanchéité étanche par serrage, facile à utiliser. Ajustez le degré de verrouillage en...
Afficher tous les détails(DN500mm) Type arbitraire avec assemblage de couvercle à bride à collier
GUARD™Type arbitraire DN 500 avec assemblage de couvercle à bride à collier-7Bar-20 points. Le type de surface d'étanchéité est une surface à mortaise et...
Afficher tous les détailsType intégral avec ensemble de couvercle à bride à collier
GUARD™Type intégral avec assemblage de couvercle à bride à collier - 7 bars - 22 points. Le type de surface d’étanchéité est la surface à mortaise et rai...
Afficher tous les détails(DN500 mm) avec (DN300 mm) ensemble de couvercle d'inspection à bride de couvercle convexe
GUARD™DN 500 avec assemblage de couvercle plat à bride d'inspection DN300 - 7 bars - 20 points. Le type de surface d'étanchéité est une surface à rainure...
Afficher tous les détails500mm Manlid Cover with Special Connection
GUARD™304/316L. 220 degree working Temp + Manlid Seal
(DN500mm) Ensemble de couvercle à bride avec couvercle plat -7Bar
GUARD™Ensemble couvercle à bride DN500 avec couvercle plat - 7 bars. Le type de surface d'étanchéité est une surface à rainure et languette. Le couvercle...
Afficher tous les détails(DN500mm) Ensemble de bride avec anse convexe -7Bar
GUARD™Couvercle à bride DN500 avec cavité convexe - 7 bars -20 points. La surface d'étanchéité est de type rainure et languette. Le couvercle est formé p...
Afficher tous les détails(DN500 mm) avec couvercle plat d'inspection (DN200 mm)
GUARD™DN 500 avec assemblage de couvercle plat à bride d'inspection DN200 - 4 bars - 20 points. Le type de surface d'étanchéité est une surface à rainure...
Afficher tous les détailsEnsemble de couvercle d'homme à profil bas DN600 (600 mm)
GUARD™Ensemble de couvercle d'homme à profil bas DN600 -10 points. Collier à profil bas de 8 mm d'épaisseur soudé. Différents radians et tailles sont dis...
Afficher tous les détailsEnsemble de couvercle d'homme à bague profonde DN600 (600 mm)
GUARD™Assemblage de couvercle d'homme à collier profond DN600 -10 points. Un collier profond de 8 mm d'épaisseur est estampé et formé. Différentes hauteu...
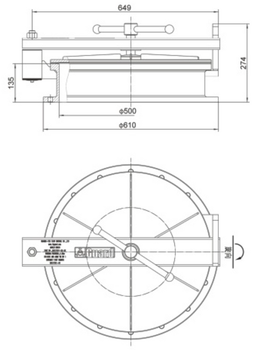
Afficher tous les détailsEnsemble de couvercle d'homme à montage sur bride DN500 (500 mm)
GUARD™Ensemble de couvercle d'homme à montage sur bride DN 500 - 8 points. Le collier du couvercle d'homme est boulonné au corps du réservoir via une bri...
Afficher tous les détailsEnsemble de couvercle d'homme poli DN500 (500 mm)
GUARD™Ensemble de couvercle d'homme poli DN500 - 8 points.Toutes les pièces à l'intérieur du composant du couvercle d'accès qui entrent en contact avec l...
Afficher tous les détailsEnsemble de collier profond à bride soudée DN500 (500 mm)
GUARD™Ensemble de collier profond à bride soudée DN 500 - 8 points. La bride est soudée à l'intérieur de l'assemblage. La bride est utilisée pour install...
Afficher tous les détailsEnsemble couvercle d'égout DN500 avec dispositif de vidange d'urgence (500 mm)
GUARD™DN500Ensemble couvercle avec dispositif de vidange d'urgence-8 points. Le dispositif de vidange d'urgence est installé sur le couvercle du couvercl...
Afficher tous les détailsAssemblage de couvercle d'homme DN500 avec support de disque de rupture -8 points. (500mm)
GUARD™Ensemble de couvercle DN500 avec support de disque de rupture - 8 points.Couvercle avec bride de montage de disque de rupture de 10 pouces. Structu...
Afficher tous les détailsDN500 Manlid Assembly With DN300 Inspection
GUARD™DN 500 (500 mm) Ensemble Manlid avec inspection DN300 (300 mm) - 8 points. Couvercle de visite avec inspection DN300.
Ensemble de couvercle d'homme DN500 (500 mm) avec inspection DN260 (260 mm)
GUARD™Ensemble Manlid DN 500 avec inspection DN260 - 8 points. Couvercle Manlid avec inspection DN260.
Ensemble de couvercle d'homme à profil haut DN500 (500 mm)
GUARD™Ensemble Manlid DN500 avec inspection DN260 - 8 points. Couvercle Manlid avec inspection DN260
DN500 Low Profile T20 Manlid Assembly - 6.9Bar
GUARD™Ensemble couvercle d'homme à profil bas DN500 -6,9 bars - 10 points. Le collier à profil bas de 8 mm d'épaisseur est estampé et formé en une seule ...
Afficher tous les détailsAssemblage de couvercle à profil bas DN500 -3Bar
GUARD™DN500 Collier à profil bas -3Barres - 6 points. L'anneau de col de 8 mm d'épaisseur est estampé et formé d'une seule pièce. Différentes radiales et...
Afficher tous les détailsActualités & Blog | Guard Europe B.V.
-
Le clapet de réservoir Guard résiste au test à basse température : -65 °C, 6 heures. Certifié indépendamment comme fiable pour le GNL et les conditions arctiques.Lire maintenant
